Гнездо DIN 5 pin с центральным контактом, ОНЦ-ВГ-11-5/16-Р-М, ГОСТ, Россия

Есть в наличии
Артикул:
1 100
руб.

*Первый взнос
Количество:
Доступно
Доставка в
Описание

Гнездо DIN 5 pin с центральным пином. Очень редкий разъём, который практически не использовался в технике после 1988 года. Выполнен в форме розетки с креплением на корпус. В отечественной литературе данный разъём маркируется как ОНЦ-ВГ-11-5/16-Р-М. Производство Россия, производится одним из оборонных заводов ограниченным тиражом, специально по нашему заказу.

Есть ли отличие от старых разъёмов времён СССР?
Розетка DIN 5 ОНЦ-ВГ-11-5/16-Р-М абсолютно аналогична разъёму времён СССР, изготавливается из тех же материалов и по тем же технологиям, что и пятьдесят лет назад. Так как разъём используется в оборонной промышленности, он соответствует отечественным ГОСТ 23784 / АШДК.434410.023 ТУ и имеет очень высокое качество исполнения. 

Особенности разъёма.
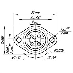
Данный разъём имеет специфическую конфигурацию - четыре контакта образуют квадрат, а по центру установлен пятый пин. Визуально он идентичен цифре 5 на игральных костях.

ВНИМАНИЕ!
Несмотря на то, что данный порт маркируется как DIN 5 pin, расположение контактов отличается от MIDI интерфейса. Пожалуйста, будьте внимательны при выборе разъёма! 

Технические характеристики:
Разъём: DIN 5 Pin с центральным расположением контакта.
Отечественная маркировка: ОНЦ-ВГ-11-5/16-Р-М.
Тип: "мама" \ "гнездо".
Форм - фактор: крепление на лицевую панель.
Крепёж: не входит в комплект.
Подключение проводов: пайка.
Применение: аппаратура для подключения наушников и иной аудиотехники, радиолюбительская техника и т.д.

Характеристики
  • DIN 5 pin
    Да
Отзывы