Розетка DIN 8 Pin (ОНЦ-ВГ-5-8/16-Р-М) (DIN 45326, ГОСТ), "мама" / "гнездо", на корпус

Есть в наличии
Артикул:
1 100
руб.

*Первый взнос
Количество:
Доступно
Доставка в
Описание

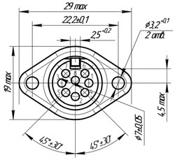
Розетка восьмиконтактная DIN 8 Pin (советское и российское название - ОНЦ-ВГ-5-8/16-Р-М), тип "гнездо". На разъёме установлен фланец с отверстиями для крепления к корпусу прибора. Соответствует ГОСТ 23784 и АШДК.434410.023 ТУ. Произведено в России.

О соответствии стандартам
Гнездо DIN 8 Pin для установки на корпус производится в России и может поставляться, в том числе, на предприятия, связанные с оборонной промышленностью. Весь товар проходит ОТК, на него есть все необходимые документы, и он производится в полном соответствии с ГОСТ 23784 и АШДК.434410.023 ТУ.

Где применяется DIN 8 Pin
Данный разъём применяется в отечественной технике (советской и российской), радиостанциях, аудиоаппаратуре и т.д.

На что следует обратить внимание
У гнезда DIN 8 Pin есть особенность - контакт, находящийся по центру, должен быть немного смещён вниз. Это регламентируется ГОСТами и ТУ. Иногда попадаются импортные вилки (особенно в современной китайской аппаратуре), у которых центральный пин (пин #8) вниз не смещён, а находится на одном уровне с контактами #1 и #3. Обычно они корректно устанавливаются в данное гнездо, т.к. имеют меньший диаметр штырька.

Примечание
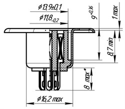
Чертёж с размерами данного гнезда DIN 8 Pin можно найти в фотографиях товара.

Дополнительная информация
В гнездо DIN 8 Pin можно подключать вилку с меньшим количеством контактов - например, DIN 5 Pin, DIN 3 Pin и т.д.

Технические данные
Гнездо DIN 8 Pin "мама", с фланцем, для установки на корпус
Количество контактов: 8 пинов и корпус
Соответствие ГОСТ и ТУ
Название в отечественной литературе: ОНЦ-ВГ-5-8/16-Р-М или СГ-8
Под пайку
Есть сертификат ОТК
Произведено в России

Характеристики
  • DIN 8 Pin
    Да
Отзывы